热门关键词: 广州能源所 百度
当前位置:首页 - 产品与技术

自制小型水力发电机PWM可变负载稳压器

文章来源:中电网 | 发布日期:2008-07-25 | 作者:未知 | 点击次数:

      该微型永磁式水轮发电机为单相 220V 交流输出,无法用励磁调控,只能手动调节进水阀 ( 负载为一定时 ) 或者调节负载(水压、流量为一定时 ) ,负载对输出电压的影响极大,当水压为一定值时,负载从 1OOW 变化至 260W ,输出电压会从370V降至 125V 。

稳压思路是当水压、水量为一定值时,在回路中并入一个由PWM控制的可变负载,当实际的负载发生变动时,可变负载随之改变,保持总负载不变。因此发电机的负载为:实际负载 + 可变负载=总负载,只要总负载不变,回路中的电压就能稳定。

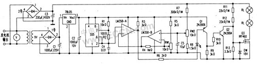
采用 555 时基和运放组成的 PWM 基本控制电路见附图。

1 .由小型电源变压器、桥式整流 l 号、滤波电容 C1 、 C2 和 78L 05 组成的稳压电源电路,提供5V稳压电源。

2 .由 NE555 时基、 R1 、 R2 、 C4 和 1 / 2 运放 LM358-A 组成 PWM 控制电路,在LM358一 A 的同相输入端输入大约 1 . 3V-3 . 6V 的电压时.就能控制 LM 358 输出的脉冲宽度。

3 .由桥式整流 2 号、 C3 、 RL 和 Q3组成的直流供电回路,作为可变负载的可控能耗电源,并与发电机的电源并联。

4 .由另外 1 , 2 的 LM358-B 组成放大电路, RW1 可调节基准的起始电压。 R7 、 RW2 和R8组成取样电路。取样电压输入到 LM358-B 的同相端,电源电压的微小变化经 LM 358 一 B 放大后直接反馈给LM358-A的同相输入控制端。

5 . Ql 、 Q2 、 R9 ~ R13 和 DW 组成反相、偏置和驱动电路,用 LM 358-A 输出的脉宽控制Q3的截止时间,也就是控制直流负载 RL 上消耗的电能量。当稳压器刚插入发电机回路时, Q2 是截止的, Q3 的 Vg=18V ,Q3全导通,负载全接入,这样可避免开机时的高压损坏其他的电器。

调压过程:若实际负载↓→电源电压↑→ LM358-B 的同相输入端电压↑→ LM358-B 输出电压↑→LM358-A的同相输入端电压↑→ LM358-A 输出低电平脉宽变窄→ Q1 导通时间变短→ Q2 导通时间变短→ Q3导通时间变长→ RL上消耗的电能↑→电源电压↓。当实际负载增加时.恰好与上述的分析相反。调节 RW2 可调节稳压值。

注意事项:

1) 动态负载 RL 、 Q3 和整流桥 2 号应和发电机的额定功率匹配.动态负载RL的功率应略大于发电机的额定功率。可以使用两个灯泡串联作负载,考虑到 RL 上的直流电压为 280V ~300V.应将两个灯泡串联使用。也可以用大功率电阻、电炉丝或电热器具 ( 可同时加热水,一举两得 ) 。RL一定要接牢靠,不可开路。否则空载的高电压将烧毁控制器。 Q3 要加良好的散热片。

调试时应先在标准 220V 电源上预调,调到使 RI, 接近满负荷后.再接入发电机回路中去调整。以免稳压器损坏。

该调压器也可用在小型风力永磁交流发电机的稳压上。

该调压器使用一年多来,性能稳定、稳压精确。该稳压器是耗能型的,但还比较实用。

分享到:
相关文章
中国新能源网版权及免责声明:
1、凡本网注明"来源:中国新能源网" 的所有作品,版权均属于中国新能源网,未经本网授权,任何单位及个人不得转载、摘编或以其它方式使用上述作品。已经本网授权使用作品的,应在授权范围内使用,并注明"来源:中国新能 源网"。违反上述声明者,本网将追究其相关法律责任。
2、凡本网注明 "来源:XXX(非中国新能源网)" 的作品,均转载自其它媒体,转载目的在于传递更多信息,并不代表本网赞同其观点和对其真实性负责。
综合动态 更多