热门关键词: 广州能源所 百度
当前位置:首页 - 风能 - 产品与技术

家旅两用垂直轴微型风力发电装置

文章来源:华南师范大学附属中学 华南理工大学电力学院,广东省绿色能源技术重点实验室 | 发布日期:2010-06-23 | 作者:卢星辉   杨苹  杨晓安  陈楠 | 点击次数:

     摘要:本文研制了一个家旅两用的微型垂直轴风力发电装置,由微型垂直轴风力发电机、电能变换控制部分构成。微型垂直轴风力机的叶片采用带孔半橄榄球形的设计方案,有利于风机在微风下稳定地启动。同时,微型风机设计成即插即拔方式,每个风机配备DC-DC稳压器,方便多个微型风力发电机联合发电。智能化的能量控制与管理系统实时监测蓄电池端电压、风力机与负载状态,从而判断和切换系统的工作方式,完成各个风机与负载的协调控制。实验和试运行表明:装置低风速启动性能好,运行稳定可靠,携带方便,适合家庭或旅行使用,还可作为家居摆设的工艺品。装置已申请发明专利,名称“家旅两用垂直轴微型风力发电装置”(申请号:2010201040874)。【关键词】    微型风力发电装置  垂直轴  即插即拔  能量管理  可折叠

    引言

    当今,风能开发越来越受到人们的重视。作为一种新型能源,它取用方便,不污染环境,并且资源丰富。据估算1,全世界的风能总量约1300亿千瓦,中国的风能总量约16亿千瓦。有资料表明,近些年来,各种可再生能源开发利用中,风电的增长速度是最快的。 但是,目前运行的风力发电机功率都比较大1,尚不能在家居生活中真正普及。基于将风电装置微型化的理念,本文提出一种新型的家旅两用微型垂直轴风力发电装置,为的是将可再生的、环保的风能应用到日常生活中,让风力发电真正走入寻常百姓家!

    1 装置结构

    本装置使用微型垂直轴风力发电机提供电能。采用类似于半橄榄球形状的阻力型风杯及风力机设计,具有启动风速低,启动性能好,稳定低速运转的优点2。为了不引起紊流,在半橄榄球形的叶片中心开一个小孔,用于引导风的流向3。由于要求装置方便携带、易拆装,风机还设计成即插即拔的形式。发电机采用微型永磁同步发电机,启动力矩小,以达到低启动风速的目标。

     DC-DC稳压器采用Boost电路,可以稳定提升不可控整流输出电压至DC12V。蓄电池采用7.2V/5200mAh的锂电池。充电电路Buck采用DC-DC变换芯片AP34063搭建,放电电路同样采用Boost。系统内置能量管理,不断对蓄电池端电压、风力机发出的能量、负载所需的能量情况进行判断,以此切换系统的工作方式,完成各个风机与负载的协调控制。

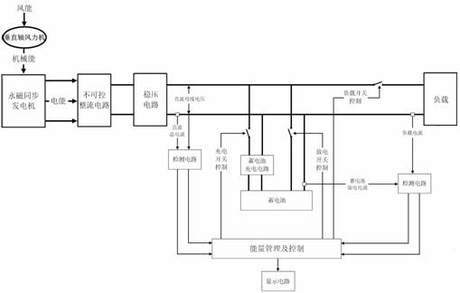
    装置的结构框图如下:

 
图1 系统原理框图

下面分别来介绍各个部分的设计。

    2 风力机设计

   (1) 风力机尺寸设计

    计算风机的风能捕获有以下公式 4

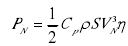
                  (1)

    式中PN是额定功率,设计PN =2 w;ρ是空气密度,取ρ=1.225kg / m 3;Cp是风能利用系数,取Cp=0.2;η是风力机传动系统和发电机的效率,取η=0.8;VN是额定风速,取VN=7m / s;S是叶轮的扫风面积。计算可得S=0.03m 2

    由于装置采用的是三叶片阻力型的垂直轴风力机,所以扫风面积可表示为:
S = 3                                                 (2)
式中r是风杯半径。计算可得:r = 0.05m。
设计风力机的直径D=0.2m。

    (2) 叶片形状的设计

    根据叶片的启动特性、正面与背面的风阻分析,证明半橄榄球型叶片的背向阻力很小,利于在微风中启动和运转,适合采用为本装置的叶片形式。在实验室用风扇在同一风速下吹动各类风机模型旋转,对比启动性能和转速,也证实了半橄榄型叶片的气动特性较好。

     但是,实验也发现,半橄榄球形的叶片虽然很灵敏,但当气流进入叶片内部,在顶端中心冲击容易产生气流紊乱,导致风机启动时不稳定,并减慢风机的转速,影响发电效果。在叶片的尾部打一个小孔,小孔就有导流的效果,从而不会发生紊流,使叶片运转趋于稳定,提高发电效率。

图2  未开孔叶片内部气流分析

    (3) 风力机重要参数计算

    速比是叶片旋转速度和来流速度之比,是影响风力机气动力性能的重要因素。通过查阅资料有以下公式5:

            (3)

    其中N表示风力机的额定转速,取N=200rpm,D表示风力机直径,VN 表示额定风速。
则:

                  (4)

    风力机叶片的疏密程度决定了叶片气动力干扰的强弱,是影响风力机性能的重要因素,通常用叶片密实度来衡量风力机叶片的疏密程度。可以如下表示5:

                                                                                     (5)



其中B表示叶片个数,C / D表示叶片的弦长直径比。
在本风机中,C = r
带入公式,计算得:σ=0.75
通过资料5,计算工作转矩有公式:

       (6)


计算可得:T=
一般取3~5倍的工作转矩作为启动力矩。
由此可以看出,风力机启动力矩较小,满足微风启动的要求。

    (4) 风力机整体示意图

    根据以上计算结果,已经得到风力机的完整参数,据此设计绘制风力机的AutoCAD3D图纸,如图3:


图3 叶片3D图

3 稳压电路的设计
     (1)Boost工作原理及参数计算
     BOOST电路原理图如下:

图4 BOOST电路原理图

D表示二极管,L表示电感,C表示电容,SW表示电力电子开关器件。
输入输出关系有以下公式:

                                             (7)

其中:Vout即直流母线电压;Vin为稳压电路输入电压; 为BOOST电路的占空比。
由于装置内部的要求,所以规定以下参数:
电路输入电压Uin范围:5~9
电路输出电压Uout:12
开关工作频率:100
取最小的输入电压5V,由上述公式

                     (8)

可得最大占空比:
                              (9)
已知额定负载,由公式
                      (10)
V=RI                                               (10-2)
可得输入电流:
             (11)
根据电感计算公式可得储能电感:
             (12)
根据电容计算公式可得滤波电容,即直流母线的电容:
                  (13)
考虑裕量,取

(2)电路实验调试结果

     调试结果表明,当输入在4.5V~9V之间,所搭建的电路样板输出均能稳定在12V,下图是各实验波形:
当DC-DC输入电压为4.5V时,占空比为62.5%,输出恒定在12V。


图5 DC-DC输出波形1

当DC-DC输入电压为6V时,占空比为50%,输出恒定在12V。

图6 DC-DC输出波形2

当DC-DC输入电压为8V时,占空比为33%,输出恒定在12V。


图7 DC-DC输出波形3

    4 能量管理系统的设计

    能量管理系统它可以根据外界的风力,判断蓄电池端电压、风力机发出的能量、负载所需的能量,据此切换系统的工作方式,完成各个风机与负载的协调控制,动态的转换蓄电池的储电和输电的状态,保证系统能够应对各种环境、负载条件下的电能需求。
其控制管理思路如下:
1、风速较低,风力发电机不能发电,且蓄电池端电压较低,则系统关机;
2、风速较低,风力发电机不能发电,但蓄电池端电压正常,则蓄电池放电,向负载供电;
3、风速较高,风力发电机可以发电,但是负载需要的能量大于风力发电机发出的能量,且蓄电池端电压正常,则蓄电池与风力发电机同时向负载供电;
4、风速较高,风力发电机可以发电,但是负载需要的能量大于风力发电机发出的能量,蓄电池端电压较低,切断部分负载;
5、风速较高,风力发电机可以发电,且风力发电机发出的电能足够负载使用且有多,蓄电池端电压较低,则风力发电机向负载供电,同时向蓄电池充电;
6、风速较高,风力发电机可以发电,且风力发电机发出的电能足够负载使用且有多,蓄电池端电压较高,则风力发电机向负载供电,多余电能通过卸荷电阻消耗;
7、风速太高,风力发电机转速过高,蓄电池端电压较低,则控制风力机刹车,系统关机;
8、风速太高,风力发电机转速过高,蓄电池端电压过高,则控制风力机刹车,由蓄电池向负载供电。

    使用单片机进行检测、采样、计算、判断工作模式后,控制系统中的开关器件调整开关状态,构成特定的供电回路,就能够实现能量管理。

     当风力机、蓄电池等能量输入大于负载所需时,母线电压上升;小于负载所需时,母线电压会下降;保持动态平衡时,母线电压会在一定范围内保持相对稳定的状态。单片机检测母线电压来判断能量供需是否匹配,通过判断母线电压处在哪个范围内来发出相应的控制信号,控制系统各部分的切入退出。

     其主要工作流程如下图:

     图中负载1代表重要负载,如照明用电;负载2代表非重要负载,如小功率充电器。

图8 能量管理工作流程图

    5 装置整体及其实验

    装置整体如下图所示:

图9 装置整体实物图

     通过不同风速下装置整体带载实验,可知系统风力发电的功率水平:

表1 系统实验功率输出水平

风速(m/s)

风机转速(rpm)

输出电压(V)

输出功率(W)

10.0

500

5

1.25

12.0

600

6

1.8

15.0

800

8

3.2

20.0

900

9

4.05

实验结果显示,系统的功率输出可以满足LED照明及小功率充电器的用电要求。

    6 结语

     本文提出的家旅两用垂直轴微型风力发电装置具有精巧便携的特点,其电能控制转换电路以及能量管理系统可以保证风力电能的稳定输出。通过实验证明其功率输出可以满足小功率用电的要求,装置在家居或户外都具有较好的实用性。

参考文献
1. 田海姣,王铁龙等.垂直轴风力发电机发展概述.b用能源技术,2006,11:22-27.
2. 李岩.垂直轴风力机技术讲座(一)——垂直轴风力机及其发展概况.可再生能源,2009,2:121-123.
3. 陈忠维.垂直轴风力机叶尖速比分析研究.可再生能源,2008,10:76-82.
4. 范正萍,王心尘等.小型家用垂直轴风力发电系统的设计。能源技术,2007,Vol.28(5):279-283.
5. 陈忠纬.垂直轴阻力型风力机平均功率计算及分析.设计与研究,2008,11:20-24.

分享到:
相关文章
中国新能源网版权及免责声明:
1、凡本网注明"来源:中国新能源网" 的所有作品,版权均属于中国新能源网,未经本网授权,任何单位及个人不得转载、摘编或以其它方式使用上述作品。已经本网授权使用作品的,应在授权范围内使用,并注明"来源:中国新能 源网"。违反上述声明者,本网将追究其相关法律责任。
2、凡本网注明 "来源:XXX(非中国新能源网)" 的作品,均转载自其它媒体,转载目的在于传递更多信息,并不代表本网赞同其观点和对其真实性负责。
综合动态 更多